Aufgaben zum Wasserstromkreis

Aus Schulphysikwiki
Wechseln zu: Navigation, Suche

1) Vergleich von Wasserstromkreis und elektrischem Stromkreis

Ordne die Begriffe an die richtige Stelle der Tabelle. (Es können auch mehrere Begriffe an der gleichen Stelle richtig sein.)

Elektrizität, Batterie, Wasserrad, Netzgerät, elektrische Ladung, Solarzelle, Schalter, Schlauch, Dynamo (Generator)

Wasserstromkreis

elektrischer Stromkreis

Wasser

Pumpe

Lampe, Motor, Bildschirm, ...

Wasserhahn

Kabel

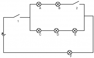
2) Schaltpläne zeichnen

In der Abbildung sind die Schaltpläne eines Wasserstromkreises und eines elektrischen Stromkreises gezeichnet, die einander entsprechen.

Aufgabe Wasserstromkreis Beispiel.png

Zeichne zu den gegebenen Schaltplänen den jeweils entsprechenden Wasserstromkreis, bzw. den entsprechenden elektrischen Stromkreis. (Das ist auch mit Hilfe von Geogebra möglich.)


3) Stromrichtung

Kennzeichne in den Schaltplänen von Aufgabe 2) die Stromrichtung des Wassers, bzw. des elektrischen Stroms mit Pfeilen.[1]

4) An- und Ausschalten

In den Stromkreisen von Aufgabe 2) werden alle Hähne geöffnet und alle Schalter geschlossen. Dann wird die Pumpe angeschaltet, bzw. die Batterie angeschlossen.

Welche Lampe, bzw. welches Wasserrädchen, geht in den verschiedenen Stromkreisen zuerst an, welche später? Begründe deine Antwort.

5) schnell und langsam, hell und dunkel

Alle Lämpchen der Stromkreise von Aufgabe 2) sind gleich gebaut, ebenso sind alle Wasserrädchen von gleicher Bauweise.
Welche Lampe aus den oberen Stromkreisen brennt hell, welche weniger? Welche Rädchen drehen sich schnell, welche langsam. Begründe deine Antworten.

6) Schalter und Wasserhähne

Beschreibe für die Stromkreise 2a), 2c) und 2d) was passiert, wenn man die unterschiedlichen Schalter / Wasserhähne schließt oder öffnet. Erstelle dazu eine Tabelle wie die folgende:

Schalter1 Schalter2 LampeA LampeB LampeC
   0         0         0      0      0
   1         1         1      1      1
   0         1         1      1      0
   1         0         0      0      0

Dabei bedeutet die 1: Strom kann fließen und die 0: Strom kann nicht fließen.

Fußnoten

  1. Mit der elektrischen Stromrichtung ist die Transportrichtung der positiven Ladung gemeint. Sie verläuft immer von Plus zu Minus, auch wenn sich in einem metallenen Kabel negative Ladungen von Minus nach Plus bewegen.