Umkehrung des Photoeffekts in einer Leuchtdiode (LED)
(Kursstufe > Licht als Teilchen)
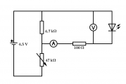
- Aufbau
Man betreibt Leuchtdioden verschiedener Farben an unterschiedlichen Spannungen. Dabei beobachtet man deren Helligkeit und misst die Stromstärke. Die Diode mit einer Wellenlänge von 960nm beobachtet man mit Hilfe einer Digitalkamera, weil sie, wie die meisten Fernbedienungen, unsichtbares Infrarot-Licht aussendet.
Die anliegende Spannung kann man gut mit einer 4,5V Flachbatterie und einer regelbaren Spannungsteilerschaltung einstellen. Damit die Dioden nicht überlastet werden können, sollte man unbedingt den [math]100\,\rm \Omega[/math] Vorwiderstand verwenden!
Das Voltmeter wird ohne den Vorwiderstand direkt parallel zur Diode geschaltet, das Ampèremeter in Reihe zur LED.
Oder: Man lädt einen Kondensator (100 mikroF) mit 3V auf und betreibt damit verschiedenfarbige LEDs.
- Beobachtung
Unterhalb einer Mindestspannung leuchten die LEDs nicht mehr und die Stromstärke sinkt auf 0A. Bei rotem Licht ist die Mindestspannung kleiner als bei blauem Licht.
Messwerte:
Lichtfarbe | IR | rot | rot | gelb| grün| blau| Wellenlänge (nm) | 950 | 660 | 635 | 585 | 560 | 465 | Mindestspannung mit Ampèremeter (V)| 0,98| 1,35| 1,6 | 1,75| 1,8 | 2,85| Mindestspannung mit Auge (V) | 1,3 | 1,55| 1,6 | 1,8 | 1,85| 3,25|
Die LED leuchtet kurz auf, aber der Kondensator entlädt sich nicht vollständig, es bleibt eine Mindestspannung erhalten. Diese Restspannung ist bei der roten LED kleiner als bei der blauen LED.
Messwerte:
Wellenlänge (nm) | Restspannung (V) |
- Auswertung
Misst man die Grenzspannung der LEDs mit dem Auge, so ergeben sich tendenziell größere Werte. Das Auge sieht offensichtlich das Licht erst ab einer gewissen Stromstärke, die zu einer Mindesthelligkeit führt.
Links
- Video: Versuch: Umkehrung des Photoeffekts in einer Leuchtdiode (LED) (englisch ; youtube.com: "Planck Constant")
- Diese 3D-Animation erklärt den Aufbau und die Funktion einer LED. (Thomas Schwenke, youtube.de)
- Übersichtliche Informationen zu Leuchtdioden über Funktionsweise, Aufbau und Anwendung. (LEIFI)
- Wikipedia: Leuchtdiode
- Umfassende Informationen zu Leuchtdioden über Funktionsprinzip, Herstellung, Einsatz, Einkauf,... (Hauke Haller, led-info.de)